FF-200/1300F
产品特点
- 任意角度安装,便于系统集成,紧凑型结构
- 复合抽气结构,高前级压强下仍保持较大抽速
- 高强度转子,适用于复杂工业过程
- 使用方便、应用范围广、性能稳定
应用领域
科学研究晶体晶振光伏Low-E玻璃镀膜ITO镀膜光学镀膜装饰镀膜平板显示真空炉电真空新能源新材料真空干燥低温制冷电子器件
- 技术指标
- 尺寸
- 产品特性
- 配件
- 下载
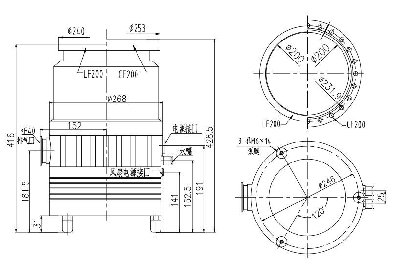
- 进气口法兰
- DN200 CF DN200 ISO-K
- 排气口法兰(ISO-KF)
- DN40
- 抽速速率(L/s)
- N2:1300 He:1000 H2:480 Ar:1250
- 压缩比
- N2:1E9 He:1E4 H2:6E3 Ar:1E9
- 极限压强(Pa)
- CF:6E-7 ISO-K:6E-6
- 最大连续前级压强(Pa)
- 240
- 最大前级压强(Pa)
- N2:600
- 最大气载量(sccm)
- N2:2500 He:1850 H2:1450 Ar:950
- 额定转速(RPM)
- 24000
- 启动时间(min)
- ≤9
- 冷却方式
- 水冷或风冷
- 冷却水流量(L/min)
- ≥1
- 冷却水温度(℃)
- ≤25
- 电源电压(V AC)
- DC24/AC220
- 最大功率(W)
- ≤500
- 适配电源型号
- TCDP-II、FD-IIB、TD-II/TCP-II
- 建议前级泵(L/s)
- 15
- 重量(kg)
- 33(LF) 35(CF)
| 文件名 | 类型 | 语言 | 日期 | 文件大小 |

