DFF-100/300
产品特点
- 更高转速对小分子气体压缩比更高
- 单磁轴承结构超长运行寿命
- 集成式控制器支持多种控制方式
- 任意角度安装应用场景广泛
应用领域
电子显微镜、检漏、质谱、表面分析、等离子监测、残余气体分析、医学技术、工业检漏、电子束焊接、隔离真空、核研究、等离子研究、粒子加速器、冷冻研究、基本粒子物理学、纳米技术、生物技术
- 技术指标
- 尺寸
- 产品特性
- 配件
- 下载
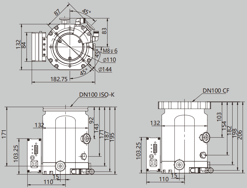
- 进气口法兰
- DN100 ISO-K DN100 CF-F
- 抽速速率(L/s)
- N2:280 He:265 H2: 220 Ar:255
- 压缩比
- N2:>1E11 He:>1E8
- 临界前级压力(Pa)
- N2:2000 He:2000
- 最低工作压力(Pa)
- DN100 ISO-K:<8E-6 DN100 CF-F:<2E-7
- 额定转速(RPM)
- 60000
- 启动时间(min)
- <3.5
- 噪音(dB)
- <48
- 振动值(μm)
- <0.05
- 设计无故障运行时间(h)
- >15000
- 安装角度
- 任意角度
- 冷却方式
- 自然冷却、风冷、水冷
- 排气口法兰
- DN16 ISO-K
- 建议前级泵(L/s)
- 1-3
- 高真空法兰烘烤温度(℃)
- 100
- 环境温度(℃)
- 5-30(自然冷却)、5-35(风冷)、5-40(水冷)
- 重量(kg)
- DN100 ISO-K:6.5 DN100 CF-F:9.8
| 文件名 | 类型 | 语言 | 日期 | 文件大小 |

